منضدة خشبية بتصميم عشوائى فريد

منضدة خشبية بتصميم عشوائى فريد

مقدمة

اكتشفت هذه المفهوم قبل سنوات أثناء تنفيذ منحوتات من الأسلاك المنحنية مع الطلاب، وهكذا لطالما راودتني فكرة تصميم قطعة أثاث مستوحاة من هذا المفهوم، لكنني واجهت صعوبة في تخيل كيفية التخطيط لها وتصوّرها على الورق، كما أنني لم أمتلك المهارات اللازمة للتخطيط لهذا المشروع إلا بعد أن بدأت باستخدام برامج التصميم بالحاسوب (CAD) ضمن عملية التخطيط لأعمال النجارة الخاصة بى.

استخدمت برنامج Fusion من شركة Autodesk لتخطيط مسار القاعدة وتحديد اتجاه كل وصلة متقاطعة، ثم استعنت بالملف مباشرة أثناء عملية التنفيذ، ولقد كانت النمذجة ثلاثية الأبعاد أمراً أساسياً في تصميم هذا المشروع وتنفيذه، كما يمكن الوصول إلى نسخة تفاعلية من النموذج من خلال هذا الرابط، حتى وإن لم تكن تستخدم برنامج Fusion حالياً.

هذا المشروع يُعد تجربة ونموذجًا أوليًا، فهناك مجال كبير للتحسين في العديد من الجوانب، وعلى الرغم من وجود تعليمات كافية هنا لتنفيذ هذه المنضدة كما هو موضح، نأمل أن تجد فيها أيضاً ما يكفي من الإلهام لتجربة هذا المفهوم وتطوير هذا التصميم بما يناسب رؤيتك.

لوازم

الخشب

خشب كرز بمقاس 1 بوصة × 1 بوصة × 30 قدم (كحد أدنى).

  • قمت بتحضير حوالي 40 قدماً طولياً من القطع الخشبية المربعة تحسباً لأي قطع إضافية أثناء العمل.

الاكريليك / الزجاج

11 بوصة × 11 بوصة.

  • استخدمتُ أكريليك بسماكة 1/8 بوصة لأنه كان متوفراً لدي، لكن الزجاج المقسّى المقطوع حسب المقاس سيكون خياراً أفضل، وإن كان أكثر تكلفة.

خطوة 1 : تجهيز القطع أو الأجزاء الخشبية

تجهيز الخشب

كل جزء مصنوع من قضبان خشبية مربعة بمقاس 1 بوصة × 1 بوصة.

ابدأ باستخدام ماكينة التسوية لتقليل سُمك الألواح إلى 1 بوصة، ثم استخدم منشار الطاولة لقصّها بعرض 1 بوصة، كما أنه بإمكانك أيضاً شراء الخشب مسبق التجهيز بسُمك 1 بوصة.

  • حصلت بالنهاية على خشب أقل قليلاً من المقاس المطلوب وأقرب إلى 7/8 بوصة مربعة، وهذا لن يؤثر على الأبعاد الكلية للمشروع لكن كان عليّ أخذ ذلك في الاعتبار عند ضبط منشار الطاولة لعمل الوصلات النصفية والألسنة.

استكملت تجهيز الخشب بصنفرة جميع الأسطح في هذه المرحلة، فهذا يعد أسهل بكثير من القيام بذلك بعد أن يتم تقطيعها إلى أجزاء أصغر.

تقطيع الأجزاء الفردية

قم بتقطيع كل جزء فردي بناءاً على قائمة القطع أدناه.

  • استخدمت مزلجة منشار الطاولة مع كتلة توقف، ولكن منشار الزاوية سيؤدي العمل بشكل جيد أيضاً.

قائمة القطع (الطول والكمية) 

  • 3 بوصات: 2 قطعة
  • 3,5/8 بوصة: 1 قطعة
  • 4 بوصات: 9 قطع
  • 5 بوصات: 8 قطع
  • 6 بوصات: 11 قطعة
  • 6 3/8 بوصة: 1 قطعة
  • 7 بوصات: 7 قطع
  • 8 بوصات: 4 قطع
  • 9 بوصات: 4 قطع
  • 11 بوصة: 1 قطعة
  • 12 بوصة: 2 قطعة

خطوة 2 : تجهيز وصلات التعشيق

ارتفاع النصل (شفرة المنشار)

استخدم نصلًا ذو حواف مسطحة (FTG) لعمل وصلات نصف التداخل، أو استخدم مجموعة دادو (dado stack)، مما يضمن أن يكون سطح وصلة نصف التداخل مستويًا تمامًا.

اضبط ارتفاع شفرة المنشار تدريجيًا حتى تصل إلى نصف بوصة، وذلك عن طريق التجربة على قطعتين من الخشب حتى تكونان مستويتين تمامًا عند تجميعهما.

مسافة حاجز المنشار

اضبط الحاجز على مسافة 7/8 بوصة، وهي عبارة عن عرض قطعة الخشب الخاصة بك مطروحاً منها سمك القطع الناتج عن شفرة المنشار، حيث سيعمل هذا الحاجز كحد توقف ويحدد عرض وصلات نصف اللفة، وبإمكانك التحقق من دقة هذه المسافة عن طريق صنع وصلتي نصف تداخل متطابقتين باستخدام قطع تجريبية.

عملية القطع

بعد ضبط ارتفاع الشفرة والحاجز، استخدمت مؤشر الزاوية لإجراء عدة تمريرات قطع متكررة لإزالة كل المادة المطلوبة لكل وصلة نصف تداخل.

خطوة 3 : التجميعات الفرعية

نسخة من التصميم متاحة عبر الانترنت

القطع والتجميع

اعمل على قطعة واحدة في كل مرة، وذلك باستخدم النموذج ثلاثي الأبعاد لاختيار الطول الصحيح وتحديد مكان قطع وصلات نصف التداخل، وكل تجميع فرعي مُمثل بلون مختلف في النموذج.

قم بلصق القطع معًا باستخدام مشبك تثبيت، مع تنظيف أي فائض من الغراء، وتحقق من أن التجميع مربع وزاويته صحيحة.

الصنفرة

بمجرد الانتهاء من جميع التجميعات الفرعية، قم بصنفرة كل وصلة من أجل تجهيزها للتجميع النهائي.

خطوة 4 : التجميع النهائي

الغراء النهائي 

يتم تجميع أحد المكونات بالكامل، ثم يُصنفر للمرة الأخيرة، ويتم تجميع المكون الثاني وصنفرة جميع أجزائه ما عدا القطعة الأفقية الأخيرة بطول 12 بوصة، حيث تُلصق هذه القطعة في مكانها بعد أن يتم تشابك الجزئين معًا، ومرة أخرى، قم بصنفرة وفحص جميع الأسطح بدقة.

التشطيب

استخدمت تشطيباً زيتياً يطبق بالمسح على القطعة، لأنه سهل التطبيق على جسم معقد كهذا، كل ما عليك فعله ببساطة أن تمسح المادة على السطح، ثم بعد ذلك امسح كل الفائض منها.

خطوة 5 : إعداد السطح العلوى

تحضير الخشب

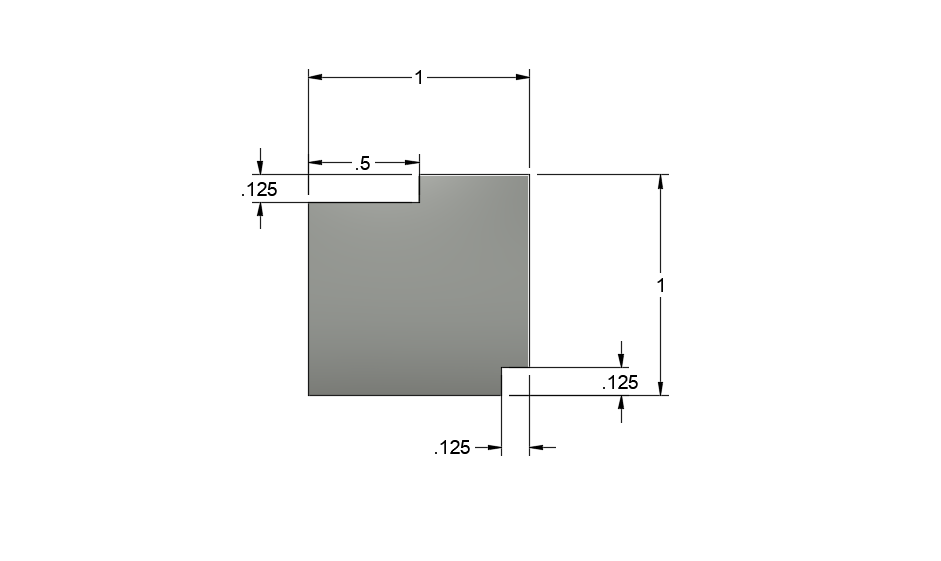
باستخدام القطع المتبقية من الخشب بمقاس 1×1 بوصة، قم بقطع ألسنة أو اخاديد في الزوايا المتقابلة حسب المخطط، وذلك باستخدام منشار الطاولة.

اللسان الأول بهدف تكوين خط ظل عند نقطة التقاء السطح العلوي بالقاعدة، حيث يُضبط حاجز منشار الطاولة على مسافة 7/8 بوصة، ويُضبط ارتفاع الشفرة على 1/8 بوصة، كما تُستخدم ألواح التثبيت الجانبية للمحافظة على ثبات القطعة الخشبية بمحاذاة الحاجز أثناء القطع.

اللسان الثاني مخصص لتثبيت سطح الأكريليك أو الزجاج، بحيث يستقر بشكل مستوٍ مع الإطار، ويظل حاجز منشار الطاولة مضبوطًا على 7/8 بوصة، بينما يتم رفع ارتفاع الشفرة إلى 1/2 بوصة، هذا ويعتمد عمق اللسان على سُمك الزجاج المستخدم في السطح العلوي.

القطع بزوايا مائلة

باستخدام مزلجة القطع العرضي، ومع ضبط شفرة المنشار على زاوية 45 درجة، يتم قَطْع قِطع بطول 12 بوصة وذلك لتشكيل الإطار، بعد ذلك يتم لصق قطع الإطار معاً باستخدام مشبك شريطي، ثم يتم صنفرتها.

تثبيت السطح العلوي

يتم حفر ثقوب بقطر 5/32 بوصة عبر القاعدة، مع مراعاة تثبيت قطعة خشب احتياطية تحت كل ثقب لتجنب تمزق الخشب، وعليك بتوسيع الجزء السفلي للثقوب بشكل مخروطي ليسمح للبراغي بالثبات بشكل مستوٍ.

بعد ذلك قم بتثبيت الجزء العلوي على القاعدة، وقم بتحديد موقع كل ثقب بنفس مثقاب الحفر، مع ترك نتوء صغير في الجانب السفلي من الجزء العلوي، ثم استخدم مثقاب حفر بقطر 1/8 بوصة لعمل ثقوب تمهيدية في الجانب السفلي من الجزء العلوي

بعد ذلك قم بتثبيت الجزء العلوي والقاعدة بواسطة براغي طولها بوصة ونصف.

الزجاج

كنموذج أولي، استخدمت قطعة من الأكريليك بسماكة 1/8 بوصة للسطح، وتم قطع الأكريليك إلى أبعاد 11 بوصة × 11 بوصة.

سوف يكون من الأفضل استخدام قطعة من الزجاج المقوى، ويمكن طلبها حسب المقاس المخصص.

خطوة 6 : الأفكار الأخيرة

المنضدة الجانبية متينة إلى حد ما، لكنني بالطبع لن أقف عليها لتغيير لمبة كهربائية.

الأجزاء الأفقية الطويلة تسبب أكبر قدر من الانحناء في القاعدة، لذلك فإن تقسيمها إلى 4 مجموعات فرعية بدلاً من مجموعتين سيقلل من هذا الانحناء ويجعل المنضدة أكثر استقراراً.

كان من الصعب صنفرة وإنهاء القاعدة عندما كانت المكونات متشابكة معًا، لذلك في النسخ المستقبلية لن أجعل الأرجل تتشابك بهذه الطريقة.

لا توجد تعليقات حتي الآن.
تسجيل الدخول مطلوب

يجب عليك تسجيل الدخول لإضافة تعليق.

تسجيل الدخول